Полиграфическое оборудование и запасные части
info@poligraf-service.ru +7 495 215 03 99 Заказать обратный звонок
Оформить запрос
0
Каталог продукции
Создать запрос

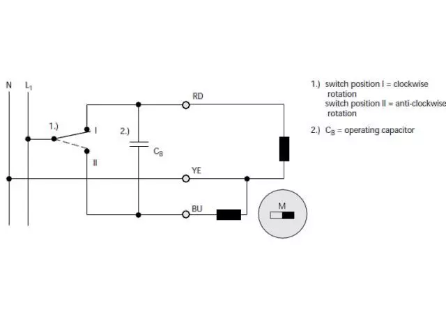
Мотор 

Артикул 4808
Название Мотор 
Английское (немецкое) название Synchronous motor
Модель MAN Roland Uniset 70
Каталожный номер 07.96303-0303  (33101233035)
Производство Германия
По запросу
В корзину
  • Аналог мотора для системы увлажнения печатной машины
    Schneider Electric 33101233035, 24VAC, 50/60Hz, I=125:1