Полиграфическое оборудование и запасные части
info@poligraf-service.ru +7 495 215 03 99 Заказать обратный звонок
Оформить запрос
0
Каталог продукции
Создать запрос

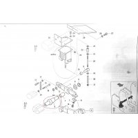
Болт

Артикул 6753
Название Болт
Английское (немецкое) название Bolzen
Модель Heidelberg Printmaster GTO-52-4
Каталожный номер 52.022.107
Производство Германия
По запросу
В корзину